| |
|
|
|
 |
> Á¦Ç°¼Ò°³ >
BLDC¸ðÅÍ >
¼ÓµµÁ¦¾îŸÀÔ
|
| |
 |
 |
|
| |
|
| |
|
OZBM60 Series |
|
|
|
60°¢ »çÀÌÁî¿¡ Ȧ¼¾¼ ºÎÂøÅ¸ÀÔÀ¸·Î, 300 ~ 3000RPM±îÁö ±¸µ¿ÀÌ °¡´ÉÇÑ ¸ðÅÍ ÀÔ´Ï´Ù.
|
|
| |
General Specification |
|
|
|
| 1 |
Winding Type |
Y |
| 2 |
Hall Effect Angle |
120 degree |
| 3 |
Number of Poles |
4 |
| 4 |
Number of Phase |
3 |
| 5 |
Insulation Class |
B |
| 6 |
Insulation Resistance |
100M§Ù / Min. DC 500V |
| 7 |
Dielectric Stength |
AC 800V / Min. |
| 8 |
Max. Radial Load |
80N (5mm from flange) |
| 9 |
Max. Axial Load |
50N |
| 10 |
Protective Enclosure Rating |
IP40 |
|
|
| |
| OZBM60 |
020D2-x |
040D2-x |
060D2-x |
| 1 |
Rated Input Voltage |
VDC |
24 |
24 |
24 |
| 2 |
Rated Output Power |
W |
20 |
40 |
60 |
| 3 |
Rated Speed |
RPM |
3000 |
3000 |
3000 |
| 4 |
Rated Torque |
N.m |
0.063 |
0.127 |
0.191 |
| 5 |
Peak Torque |
N.m |
0.189 |
0.381 |
0.573 |
| 6 |
Rated Current |
A |
1.4 |
2.8 |
4.2 |
| 7 |
Peak Current |
A |
4.2 |
8.4 |
12.6 |
| 8 |
Rotor Inertia |
g.§² |
94 |
145 |
204 |
| 9 |
Motor Body Length |
mm |
51 |
61 |
71 |
| 10 |
Motor Mass |
kg |
0.56 |
0.72 |
0.90 |
|
| |
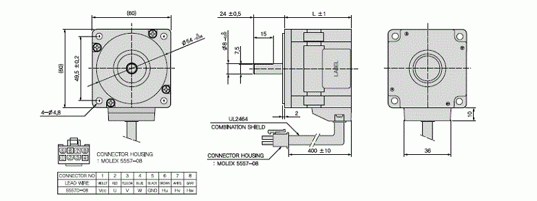
Dimension Specification |
|
|
|
|
| |
 |
| |
|
|
|
| |
|
|